ページの先頭です。
メニューを飛ばして本文へ
メニュー
JavaScriptが無効のため、文字の大きさ・背景色を変更する機能を使用できません。
本文へ
ご利用ガイド
サイトマップ
Foreign Language
文字サイズ
拡大
標準
背景色の変更
白
青
黒
防災情報
Googleカスタム検索
ホーム
くらし・手続き
文化・観光
しごと・産業
市政情報
現在地
ホーム
>
組織でさがす
>
本庁・分庁
>
管財課
>
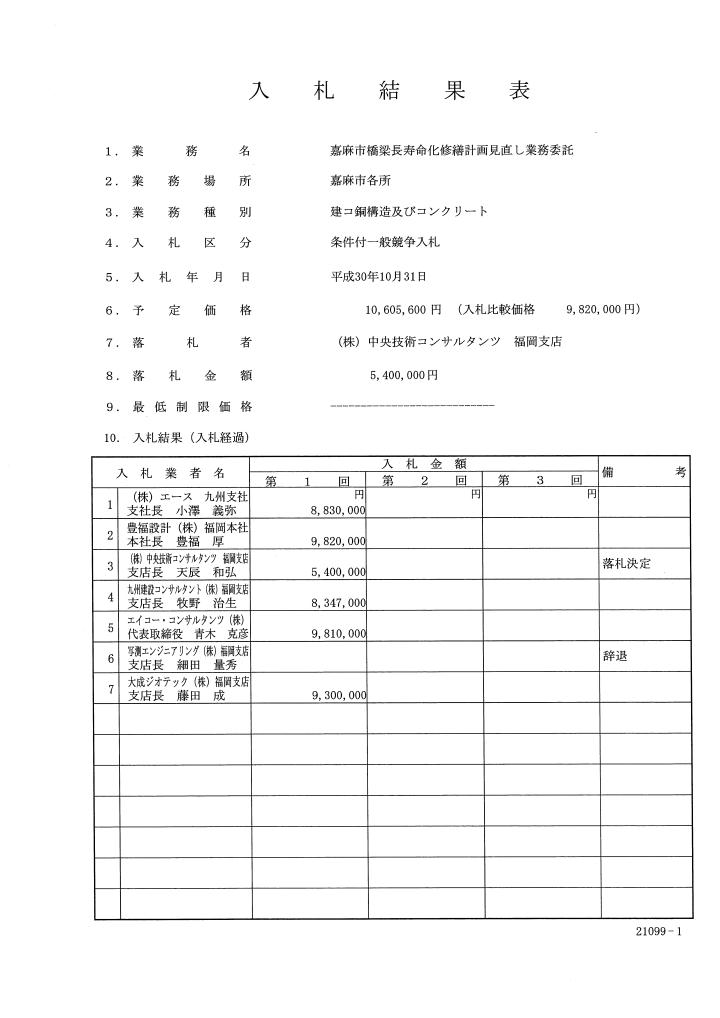
10月31日入札分(嘉麻市橋梁長寿命化修繕計画見直し業務委託)
本文
10月31日入札分(嘉麻市橋梁長寿命化修繕計画見直し業務委託)
記事ID:0001294
更新日:2019年12月23日更新
嘉麻市橋梁長寿命化修繕計画見直し業務委託
AI(人工知能)は
こんなページもおすすめします